Введение
Установка ректификации разделяет широкую фракции легких углеводородов на целевые продукты. Процесс построен на методе ректификации в башенных колонных аппаратах, снабжённых контактными устройствами, позволяющий отделить фракции: пропан, изобутан, нормальный бутан, изопентан, нормальный пентан, изопентан-пентановую, пентан-гексановую, гексановую), стабильный газовый бензин (БГС) и сухой газ (отдувки).
По типу внутренних устройств колонные аппараты различают на: тарельчатые, насадочные и пленочные.
При выборе типа контактных устройств ориентируются на основные показатели:
- производительность;
- коэффициент полезного действия (эффективностью);
- гидравлическое сопротивление;
- диапазон рабочих нагрузок;
- возможность работы на средах, склонных к образованию смолистых или других отложений;
- материалоемкостью;
- простотой конструкции, удобством изготовления, монтажа и ремонта.
В большинстве случаев именно эти параметры определяют, насколько та или иная конструкция подходит для применения в конкретном технологическом процессе.
Каждый тип специализируется на определенной области.
Насадочные колонны применяются в ситуациях, когда требуется простота конструкции, низкая стоимость, работа с определёнными типами процессов или специфическими условиями эксплуатации. Тарельчатые колонны, в свою очередь, чаще используются для более сложных и высокопроизводительных задач, например, при необходимости отбора фракций с разных уровней или работы с вязкими средами.
Основные причины выбрать тарельчатые тарелки:
- Низкая металлоёмкость;
- Высокая производительность;
- Повышенная жёсткость профиля;
- Простота конструкции;
- Устойчивость к неравномерности загрузки и допустимость значительных перегрузок режимного характера;
- Уменьшение разностей уровней жидкости на тарелке.
К недостаткам тарельчатых колонн относят:
- Потери напора на тарелках;
- Чувствительность к загрязнениям;
- Зависимость от материала тарелок.
Одной из эффективных колонн, является колонна, для контактирования газа с жидкостью, которая состоит из корпуса, тарелок с S-образными элементами и переливными устройствами, при этом у каждого элемента тарелок есть вертикальная перегородка с отбойным козырьком, погруженный нижним кольцом в жидкость на тарелке. Которая отличается тем, что S-образные элементы с вертикальной перегородкой установлены по окружности, осесимметрично с зазором между смежными окружностями с S-образными элементами, в котором равномерно установлены переливные устройства -это трубки, позволяющие увеличить площадь поверхности контакта фаз между стекающей жидкостью и поднимающимся вверх паром и обеспечивает большую скорость тепло- и массопереноса на тарелке, а значит увеличивает время работы колонны и ее производительность в целом [6, с. 2].
В результате аналитического обзора было выявлено несколько возможных вариантов контактных устройств. Инженерным решением для увеличения отбора изобутана и н-бутана из изобутановой фракции. Один из способов модернизации существующей технологии разделения на ЦГФУ является замена контактных устройств. предлагается замена колпачков тарелок в колонне К-3 на более эффективные тарелок с S-образными элементами и переливных устройств с целью увеличения выработки более дорогих продуктов. каждый S-образный элемент тарелок колонны снабжен вертикальной перегородкой с отбойным козырьком, погруженной нижним кольцом в жидкость на тарелке, причем S-образные элементы с вертикальной перегородкой установлены по окружности осесимметрично с одинаковым зазором между смежными окружностями с S-образными элементами, в котором равномерно расположены переливные устройства, представляющие собой трубки.
Результатами выполненных модернизаций является повышение качества продукции, увеличение производительности и снижение удельных энергозатрат [5, с. 3].
Было доказано расчетным путем, что данная замена тарелок приведет к увеличению прибыли и рентабельности производства, чистоте и экологичности. Важный аспект рассматриваемого контактные устройства – это улучшить существующую технологию процесса и минимизировать ее аппаратурное оформление. Они соответствуют требованиям безопасности, являются экономически эффективными. При этом качество получаемой продукции соответствует предъявляемым ей требованиям.
Был произведен расчет ЦГФУ-2 «Нижнекамскнефтехим» в ПО Aspen Hysys в статическом режиме при производительности установки 741454 (общая переработка на 2-х блоках) т/год. после замены контактных устройств. В результате модернизации выработка готовых продуктов в среднем увеличится на 10%, которые соответсвуют требованиям, которые предъявляются к их качеству.
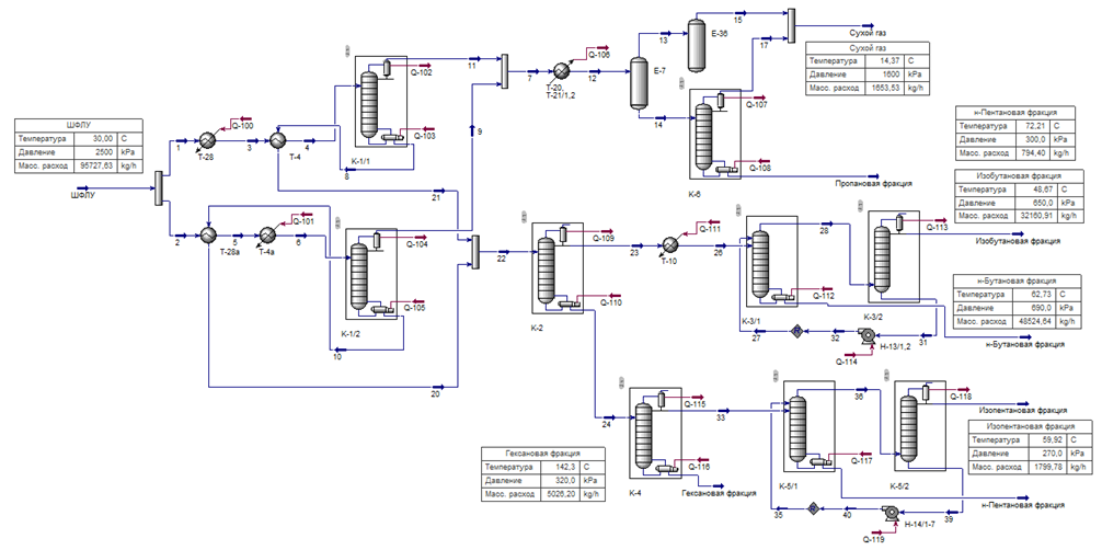
Расчетная схема газофракционирующей установки ЦГФУ-2 представлена в приложении на рисунке.

Рис. Расчетная схема установки газофракционирования по проекту
Таблица 1
Сводный товарный баланс установки по аналогу
Приход | Расход | ||||||
Наименование материалов | кг/ч | т/год | % масс. | Наименование продуктов | кг/ч | т/год | % масс. |
1 | 2 | 3 | 4 | 5 | 6 | 7 | 8 |
Сырье: | Готовый продукт: | ||||||
ШФЛУ | 87025,12 | 741454,02 | 100,0 | Пропановая фракция | 5235,72 | 44608,33 | 6,02 |
Итого: | 87025,12 | 741 454,02 | 100,0 | Изобутановая фракция | 29212,25 | 248888,37 | 33,57 |
|
|
|
| н-Бутановая фракция | 44108,30 | 375802,70 | 50,68 |
|
|
|
| Изопентановая фракция | 1634,76 | 13928,16 | 1,88 |
|
|
|
| н-Пентановая фракция | 727,04 | 6194,38 | 0,84 |
|
|
|
| Гексановая фракция | 4569,28 | 38930,23 | 5,25 |
|
|
|
| Итого: | 85487,34 | 728352,16 | 98,23 |
|
|
|
| Возвратные отходы (попутная продукция)*: | |||
|
|
|
| Сухой газ | 1503,21 | 12807,37 | 1,73 |
|
|
|
| Итого: | 1503,21 | 12807,37 | 1,73 |
|
|
|
| Потери | 34,56 | 294,49 | 0,04 |
Всего: | 87025,12 | 741454,02 | 100 | Всего: | 87025,12 | 741454,02 | 100 |
Таблица 2
Сводный товарный баланс установки по проекту
Приход | Расход | ||||||
Наименование материалов | кг/ч | т/год | % масс. | Наименование продуктов | кг/ч | т/год | % масс. |
1 | 2 | 3 | 4 | 5 | 6 | 7 | 8 |
Сырье: | Готовый продукт: | ||||||
ШФЛУ | 95727,63 | 815599,41 | 100,0 | Пропановая фракция | 5759,29 | 49069,17 | 6,02 |
Итого: | 95727,63 | 815599,41 | 100,0 | Изобутановая фракция | 32160,91 | 274010,97 | 33,60 |
|
|
|
| н-Бутановая фракция | 48524,64 | 413429,93 | 50,69 |
|
|
|
| Изопентановая фракция | 1799,78 | 15334,13 | 1,88 |
|
|
|
| н-Пентановая фракция | 794,40 | 6 768,30 | 0,83 |
|
|
|
| Гексановая фракция | 5026,20 | 42823,26 | 5,25 |
|
|
|
| Итого: | 94065,23 | 801435,75 | 98,26 |
|
|
|
| Возвратные отходы (попутная продукция)*: | |||
|
|
|
| Сухой газ | 1653,53 | 14088,11 | 1,73 |
|
|
|
| Итого: | 1653,53 | 14088,11 | 1,73 |
|
|
|
| Потери | 8,87 | 75,55 | 0,01 |
Всего: | 95727,63 | 815599,41 | 100 | Всего: | 95727,63 | 815599,41 | 100 |
Анализируя данные таблицы, можно сделать вывод, о том, что при замене клапанных тарелок на тарелки s-образного типа, выход целевых продуктов увеличится на 10%.
.png&w=384&q=75)
.png&w=640&q=75)